Close
首頁
關於我們
+
公司簡介
公司沿革
經銷品牌
常見問題
產品資訊
+
空壓元件
接頭類
壓力計及溫度計
五金手工具
配線器材
包裝材料
密封件、墊片
最新消息
聯絡我們
0 項
$0
首頁
關於我們
公司簡介
公司沿革
經銷品牌
常見問題
產品資訊
空壓元件
控制元件
氣源處理元件
輔助元件
執行元件
導軌
接頭類
銅件系列
鐵件系列
不銹鋼系列
PP系列
壓力計及溫度計
一般壓力計 P100
全不銹鋼壓力計 P200
充油式壓力計 P300
冷媒壓力計 P400
阿摩尼亞壓力計 P440
氧氣乙炔瓦斯調整器壓力計 P500
微壓壓力計 P600
隔膜式壓力計 P700
接點式壓力計
電子式壓力計
雙金屬溫度計 C100
隔測試溫度計 C200
角板型溫度計 C300
五金手工具
潤滑設備
一般工具
各式部隊包
日本製手工具
電子工具系列
安全防爆工具
螺絲起子系列
BIT頭系列
不銹鋼系列
六角板手系列
活動板手系列
棘輪板手
各式板手
各式套筒、板桿
汽車維修工具
快速接頭
化工系列
噴槍系列
空壓系列
測量工具
冷凍器材
焊切、防火設備
砂輪片、切削工具
千斤頂系列
油壓工具
油壓電設工具
配線器材
紮線帶
壓著端子
配線槽
配線標誌
結束帶
固定座
固定頭、浪管
保護部品
接線頭
套管
固定夾
PC板部品
扣具
網路接頭
超值包裝
包裝材料
BOPP包裝膠帶
文具膠帶
布膠帶
雙面膠帶
PVC膠帶
美紋紙膠帶
遮蔽膠帶
電子膠帶
工業膠帶
其他膠帶
保護膜
密封件、墊片
最新消息
聯絡我們
0 項
$0
注意:這訂單將以TWD付款
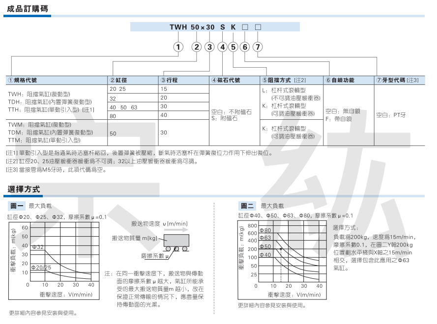
TWH系列阻擋氣缸
分享到
商品特色
撥打電話
為提供您最佳個人化且即時的服務,本網站透過使用"Cookies"記錄與存取您的瀏覽使用訊息。當您使用本網站,即表示您同意Cookies技術支援。
Learn more
接受並關閉